YTW-100耐高溫壓力表
YTW-100耐高溫壓力表
YTW-100耐高溫壓力表

YTW-100耐高溫壓力表

YTW-100系列耐溫壓力表(以下統稱儀表)適用于測量介質溫度不大于160℃,對銅和鋁合金不起腐蝕作用的液體、氣體等介質的壓力鑒于化工產品種類繁多,腐蝕程度不一,即使是同一品種的介質,其腐蝕性也往往隨其濃度以及所處溫度的各異而產生明顯的變化,為此,特將儀表導壓零件的材質列于主要技術參數一欄中,以供選用時參考。(如需耐酸,耐堿壓力表請選用我公司生產的全不銹鋼壓力表)。


參數

主要技術參數

1、測量范圍(Mpa)

0~0.1,0~0.16,0~0.25,0~0.4,0~0.60~1,0~1.6,0~2.5,0~4,0~6,0~100~16,0~25,0~40,0~60,-0.1~0

2、精度: ±1.6%

3、使用環境溫度:-40~+70°℃,相對溫度不大于90%。介質溫度不大于160℃。

4、溫度影響:使用溫度偏離+20±5℃時,其溫度附加誤差不大于0.4%/10℃。

5、工作位置:垂直安裝。

6、導壓零件材質:

零件名稱材料牌號
彈簧管QSn4錫磷青銅
接頭及導壓管H62黃銅

注:彈簧管的管材牌號可能有所變動,故以度盤上注明的牌號為準。


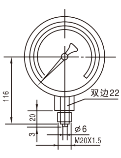
外形尺寸(m/m)

image.png

電話

0577-62898988

手機

15067706886

微信

微信

QQ

QQ:574963916

郵箱